Everanalog
3CH Power Management IC EA3036
 
 EA3036
General Description

The EA3036 is a 3CH power management IC for applications powered by one Li-Ion battery or a DC 5V adapter.

It integrates three synchronous buck converters and can provide high efficiency output at light load and heavy load operation. The internal compensation architecture simplifies the application circuit design.

Besides, the independent enable control makes the designer have the greatest flexibility to optimize timing for power sequencing purposes.

The EA3036 is available in a 20 pin QFN 3x3 package.

Features
  • 2.7V to 5.5V Input Voltage Range
  • Three Buck Converters
    Output Voltage Range: 0.6V to Vin
    Maximum Continuous Loading: 2A (3CH total output power consumption must be less than 6W)
    Fixed 1.5MHz Switching Frequency
    100% Duty Cycle Low Dropout Operation
    < 1uA Shutdown Current
    Independent Enable Control
    Internal Compensation
    Cycle-by-Cycle Current Limit
    Short Circuit Protection
  • Auto Recovery OTP Protection
  • Available in 20-pin 3mm x 3mm QFN Package
Applications
  • Smart Phone
  • IP Camera
  • OTT
  • Digital Camera
Pin Configurations
Pin Configurations
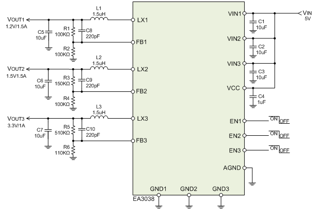
Application Circuit Diagram
Application Circuit Diagram
Documents

 
 
Get all information
Name: *
Company: *
Title: *
Product: *
E-Mail: *
Mobile/Telphone: *
Apply Documents:  
Remark: